Weld Neck Flange
Weld Neck Flange
A Weld neck flange is a type of flange designed to be welded onto the end of a pipe. It’s distinguished by its long neck, which is beveled to match the bevel on the pipe. The purpose of the neck is to transfer stress from the flange to the pipe, reducing the concentration of stress at the base of the flange. This design helps to prevent cracking and leaking, making weld neck flanges particularly suitable for high-pressure and high-temperature applications.
Weld neck flanges typically have a raised face, which provides a sealing surface when bolted to a mating flange or fitting. They are commonly used in industries such as oil and gas, petrochemical, power generation, and process piping systems where reliable sealing under extreme conditions is essential.
Long Weld Neck Flange (LWN Flange)
A Long Weld Neck Flange (LWN Flange) is a specialized type of flange commonly used in high-pressure and high-temperature piping systems. It is characterized by its long, tapered neck that seamlessly connects to a pipe, providing enhanced structural integrity and reducing stress concentrations in critical applications.
Types of Long Weld Neck Flanges:
- Standard Long Weld Neck: Regular design for general-purpose use.
- Heavy Wall Long Weld Neck: Extra thickness for added strength in heavy-duty applications.
- Custom Designs: Tailored to meet specific project requirements.
Benefits:
- Reduces the risk of leakage due to its strong weld connection.
- Minimizes stress at the junction of the flange and pipe.
- Provides a seamless connection for critical applications.
Material
- Carbon Steel
- ASTM A105, ASTM A350 LF2, ASTM A694
- Cost-effective and widely used for general-purpose applications.
- Stainless Steel
- Grades: 304/304L, 316/316L, 904L, Duplex (2205), Super Duplex (2507)
- Offers excellent corrosion resistance and durability.
- Alloy Steel
- Grades: ASTM A182 F5, F9, F11, F22, F91
- Designed for high-temperature and high-pressure environments.
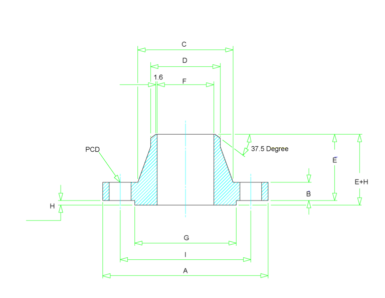
Weld Neck Flange Dimension
Class 150 Weld Neck Flange Dimensions
| Size in Inch | Size in mm | Outer Diameter | Flange Thickness | Hub OD | Weld Neck OD | Welding Neck Length | Bore | RF Diameter | RF Height | PCD | Weld Face |
|---|---|---|---|---|---|---|---|---|---|---|---|
| A | B | C | D | E | F | G | H | I | J | ||
| 1/2 | 15 | 90 | 9.6 | 30 | 21.3 | 46 | 34.9 | 2 | 60.3 | 1.6 | |
| 3/4 | 20 | 100 | 11.2 | 38 | 26.7 | 51 | 42.9 | 2 | 69.9 | 1.6 | |
| 1 | 25 | 110 | 12.7 | 49 | 33.4 | 54 | 50.8 | 2 | 79.4 | 1.6 | |
| 1 1/4 | 32 | 115 | 14.3 | 59 | 42.2 | 56 | 63.5 | 2 | 88.9 | 1.6 | |
| 1 1/2 | 40 | 125 | 15.9 | 65 | 48.3 | 60 | 73 | 2 | 98.4 | 1.6 | |
| 2 | 50 | 150 | 17.5 | 78 | 60.3 | 62 | 92.1 | 2 | 120.7 | 1.6 | |
| 2 1/2 | 65 | 180 | 20.7 | 90 | 73 | 68 | 104.8 | 2 | 139.7 | 1.6 | |
| 3 | 80 | 190 | 22.3 | 108 | 88.9 | 68 | 127 | 2 | 152.4 | 1.6 | |
| 3 1/2 | 90 | 215 | 22.3 | 122 | 101.6 | 70 | Welding Neck bore is derived from the pipe schedule | 139.7 | 2 | 177.8 | 1.6 |
| 4 | 100 | 230 | 22.3 | 135 | 114.3 | 75 | 157.2 | 2 | 190.5 | 1.6 | |
| 5 | 125 | 255 | 22.3 | 164 | 141.3 | 87 | 185.7 | 2 | 215.9 | 1.6 | |
| 6 | 150 | 280 | 23.9 | 192 | 168.3 | 87 | 215.9 | 2 | 241.3 | 1.6 | |
| 8 | 200 | 345 | 27 | 246 | 219.1 | 100 | 269.9 | 2 | 298.5 | 1.6 | |
| 10 | 250 | 405 | 28.6 | 305 | 273 | 100 | 323.8 | 2 | 362 | 1.6 | |
| 12 | 300 | 485 | 30.2 | 365 | 323.8 | 113 | 381 | 2 | 431.8 | 1.6 | |
| 14 | 350 | 535 | 33.4 | 400 | 355.6 | 125 | 412.8 | 2 | 476.3 | 1.6 | |
| 16 | 400 | 595 | 35 | 457 | 406.4 | 125 | 469.9 | 2 | 539.8 | 1.6 | |
| 18 | 450 | 635 | 38.1 | 505 | 457.2 | 138 | 533.4 | 2 | 577.9 | 1.6 | |
| 20 | 500 | 700 | 41.3 | 559 | 508 | 143 | 584.2 | 2 | 635 | 1.6 | |
| 24 | 600 | 815 | 46.1 | 663 | 610 | 151 | 692.2 | 2 | 749.3 | 1.6 |
Class 150 Weld Neck Flange Stud & Bolt Dimensions
| Size in Inch | Size in mm | No of Bolts | Bolt Size UNC | Machine Bolt Length | RF Stud Length | Hole Size | ISO Stud Size | Weight in kg |
|---|---|---|---|---|---|---|---|---|
| 1/2 | 15 | 4 | 1/2 | 50 | 55 | 5/8 | M14 | 0.6 |
| 3/4 | 20 | 4 | 1/2 | 50 | 65 | 5/8 | M14 | 0.9 |
| 1 | 25 | 4 | 1/2 | 55 | 65 | 5/8 | M14 | 1.4 |
| 1 1/4 | 32 | 4 | 1/2 | 55 | 70 | 5/8 | M14 | 1.4 |
| 1 1/2 | 40 | 4 | 1/2 | 65 | 70 | 5/8 | M14 | 1.8 |
| 2 | 50 | 4 | 5/8 | 70 | 85 | 3/4 | M16 | 2.7 |
| 2 1/2 | 65 | 4 | 5/8 | 75 | 90 | 3/4 | M16 | 3.7 |
| 3 | 80 | 4 | 5/8 | 75 | 90 | 3/4 | M16 | 4.6 |
| 3 1/2 | 90 | 8 | 5/8 | 75 | 90 | 3/4 | M16 | 5.5 |
| 4 | 100 | 8 | 5/8 | 75 | 90 | 3/4 | M16 | 6.8 |
| 5 | 125 | 8 | 3/4 | 85 | 95 | 7/8 | M20 | 8.7 |
| 6 | 150 | 8 | 3/4 | 85 | 100 | 7/8 | M20 | 10.9 |
| 8 | 200 | 8 | 3/4 | 90 | 110 | 7/8 | M20 | 17.7 |
| 10 | 250 | 12 | 7/8 | 100 | 115 | 1 | M24 | 24 |
| 12 | 300 | 12 | 7/8 | 100 | 120 | 1 | M24 | 37 |
| 14 | 350 | 12 | 1 | 115 | 135 | 1 1/8 | M27 | 50 |
| 16 | 400 | 16 | 1 | 115 | 135 | 1 1/8 | M27 | 64 |
| 18 | 450 | 16 | 1 1/8 | 125 | 145 | 1 1/4 | M30 | 68 |
| 20 | 500 | 20 | 1 1/8 | 140 | 160 | 1 1/4 | M30 | 82 |
| 24 | 600 | 20 | 1 1/4 | 150 | 170 | 1 3/8 | M33 | 118 |
Class 300 Weld Neck Flange Dimensions
| Size in Inch | Size in mm | Outer Diameter | Flange Thickness | Hub OD | Weld Neck OD | Welding Neck Length | Bore | RF Diameter | RF Height | PCD | Weld Face |
|---|---|---|---|---|---|---|---|---|---|---|---|
| A | B | C | D | E | F | G | H | I | J | ||
| 1/2 | 15 | 95 | 12.7 | 38 | 21.3 | 51 | 34.9 | 2 | 66.7 | 1.6 | |
| 3/4 | 20 | 115 | 14.3 | 48 | 26.7 | 56 | 42.9 | 2 | 82.6 | 1.6 | |
| 1 | 25 | 125 | 15.9 | 54 | 33.4 | 60 | 50.8 | 2 | 88.9 | 1.6 | |
| 1 1/4 | 32 | 135 | 17.5 | 64 | 42.2 | 64 | 63.5 | 2 | 98.4 | 1.6 | |
| 1 1/2 | 40 | 155 | 19.1 | 70 | 48.3 | 67 | 73 | 2 | 114.3 | 1.6 | |
| 2 | 50 | 165 | 20.7 | 84 | 60.3 | 68 | 92.1 | 2 | 127 | 1.6 | |
| 2 1/2 | 65 | 190 | 23.9 | 100 | 73 | 75 | 104.8 | 2 | 149.2 | 1.6 | |
| 3 | 80 | 210 | 27 | 117 | 88.9 | 78 | 127 | 2 | 168.3 | 1.6 | |
| 3 1/2 | 90 | 230 | 28.6 | 133 | 101.6 | 79 | Welding Neck bore is derived from the pipe schedule | 139.7 | 2 | 184.2 | 1.6 |
| 4 | 100 | 255 | 30.2 | 146 | 114.3 | 84 | 157.2 | 2 | 200 | 1.6 | |
| 5 | 125 | 280 | 33.4 | 178 | 141.3 | 97 | 185.7 | 2 | 235 | 1.6 | |
| 6 | 150 | 320 | 35 | 206 | 168.3 | 97 | 215.9 | 2 | 269.9 | 1.6 | |
| 8 | 200 | 380 | 39.7 | 260 | 219.1 | 110 | 269.9 | 2 | 330.2 | 1.6 | |
| 10 | 250 | 445 | 46.1 | 321 | 273 | 116 | 323.8 | 2 | 387.4 | 1.6 | |
| 12 | 300 | 520 | 49.3 | 375 | 323.8 | 129 | 381 | 2 | 450.8 | 1.6 | |
| 14 | 350 | 585 | 52.4 | 425 | 355.6 | 141 | 412.8 | 2 | 514.4 | 1.6 | |
| 16 | 400 | 650 | 55.6 | 483 | 406.4 | 144 | 469.9 | 2 | 571.5 | 1.6 | |
| 18 | 450 | 710 | 58.8 | 533 | 457 | 157 | 533.4 | 2 | 628.6 | 1.6 | |
| 20 | 500 | 775 | 62 | 587 | 508 | 160 | 584.2 | 2 | 685.8 | 1.6 | |
| 24 | 600 | 915 | 68.3 | 702 | 610 | 167 | 692.2 | 2 | 812.8 | 1.6 |
Class 300 Weld Neck Flange Stud & Bolt Dimensions
| Size in Inch | Size in mm | No of Bolts | Bolt Size UNC | Machine Bolt Length | RF Stud Length | Hole Size | ISO Stud Size | Weight in kg |
|---|---|---|---|---|---|---|---|---|
| 1/2 | 15 | 4 | 1/2 | 55 | 65 | 5/8 | M14 | 1.4 |
| 3/4 | 20 | 4 | 5/8 | 65 | 75 | 3/4 | M16 | 1.4 |
| 1 | 25 | 4 | 5/8 | 65 | 75 | 3/4 | M16 | 1.8 |
| 1 1/4 | 32 | 4 | 5/8 | 70 | 85 | 3/4 | M16 | 2.3 |
| 1 1/2 | 40 | 4 | 3/4 | 75 | 90 | 7/8 | M20 | 3.2 |
| 2 | 50 | 8 | 5/8 | 75 | 90 | 3/4 | M16 | 4.1 |
| 2 1/2 | 65 | 8 | 3/4 | 85 | 100 | 7/8 | M20 | 5.5 |
| 3 | 80 | 8 | 3/4 | 90 | 110 | 7/8 | M20 | 6.8 |
| 3 1/2 | 90 | 8 | 3/4 | 95 | 110 | 7/8 | M20 | 8.2 |
| 4 | 100 | 8 | 3/4 | 95 | 115 | 7/8 | M20 | 11.4 |
| 5 | 125 | 8 | 3/4 | 110 | 120 | 7/8 | M20 | 14.6 |
| 6 | 150 | 12 | 3/4 | 110 | 120 | 7/8 | M20 | 19.1 |
| 8 | 200 | 12 | 7/8 | 120 | 140 | 1 | M24 | 31 |
| 10 | 250 | 16 | 1 | 140 | 160 | 1 1/8 | M27 | 42 |
| 12 | 300 | 16 | 1 1/8 | 145 | 170 | 1 1/4 | M30 | 64 |
| 14 | 350 | 20 | 1 1/8 | 160 | 180 | 1 1/4 | M30 | 82 |
| 16 | 400 | 20 | 1 1/4 | 165 | 190 | 1 3/8 | M33 | 113 |
| 18 | 450 | 24 | 1 1/4 | 170 | 195 | 1 3/8 | M33 | 145 |
| 20 | 500 | 24 | 1 1/4 | 185 | 205 | 1 3/8 | M33 | 182 |
| 24 | 600 | 24 | 1 1/2 | 205 | 230 | 1 5/8 | M39 | 264 |
Class 400 Weld Neck Flange Dimensions as per ASME B16.5
| Size in Inch | Size in mm | Outer Diameter | Flange Thickness | Hub OD | Weld Neck OD | Welding Neck Length | Bore | RF Diameter | RF Height | PCD | Weld Face |
|---|---|---|---|---|---|---|---|---|---|---|---|
| A | B | C | D | E | F | G | H | I | J | ||
| 1/2 | 15 | 95 | 14.3 | 38 | 21.3 | 52 | 34.9 | 7 | 66.7 | 1.6 | |
| 3/4 | 20 | 115 | 15.9 | 48 | 26.7 | 57 | 42.9 | 7 | 82.6 | 1.6 | |
| 1 | 25 | 125 | 17.5 | 54 | 33.4 | 62 | 50.8 | 7 | 88.9 | 1.6 | |
| 1 1/4 | 32 | 135 | 20.7 | 64 | 42.2 | 67 | 63.5 | 7 | 98.4 | 1.6 | |
| 1 1/2 | 40 | 155 | 22.3 | 70 | 48.3 | 70 | 73 | 7 | 114.3 | 1.6 | |
| 2 | 50 | 165 | 25.4 | 84 | 60.3 | 73 | 92.1 | 7 | 127 | 1.6 | |
| 2 1/2 | 65 | 190 | 28.6 | 100 | 73 | 79 | 104.8 | 7 | 149.2 | 1.6 | |
| 3 | 80 | 210 | 31.8 | 117 | 88.9 | 83 | 127 | 7 | 168.3 | 1.6 | |
| 3 1/2 | 90 | 230 | 35 | 133 | 101.6 | 86 | According to Schedule | 139.7 | 7 | 184.2 | 1.6 |
| 4 | 100 | 255 | 35 | 146 | 114.3 | 89 | 157.2 | 7 | 200 | 1.6 | |
| 5 | 125 | 280 | 38.1 | 178 | 141.3 | 102 | 185.7 | 7 | 235 | 1.6 | |
| 6 | 150 | 320 | 41.3 | 206 | 168.3 | 103 | 215.9 | 7 | 269.9 | 1.6 | |
| 8 | 200 | 380 | 47.7 | 260 | 219.1 | 117 | 269.9 | 7 | 330 | 1.6 | |
| 10 | 250 | 445 | 54 | 321 | 273 | 124 | 323.8 | 7 | 387.4 | 1.6 | |
| 12 | 300 | 520 | 57.2 | 375 | 323.8 | 137 | 381 | 7 | 450.8 | 1.6 | |
| 14 | 350 | 585 | 60.4 | 425 | 355.6 | 149 | 412.8 | 7 | 514.4 | 1.6 | |
| 16 | 400 | 650 | 63.5 | 483 | 406.4 | 152 | 469.9 | 7 | 571.5 | 1.6 | |
| 18 | 450 | 710 | 66.7 | 533 | 457 | 165 | 533.4 | 7 | 628.6 | 1.6 | |
| 20 | 500 | 775 | 69.9 | 587 | 508 | 168 | 584.2 | 7 | 685.8 | 1.6 | |
| 24 | 600 | 915 | 76.2 | 702 | 610 | 175 | 692.2 | 7 | 812.8 | 1.6 |
Class 400 Weld Neck Flange Stud & Bolt Dimesions
| Size in Inch | Size in mm | No of Bolts | Bolt Size UNC | RF Stud Length | Hole Size | ISO Stud Size |
|---|---|---|---|---|---|---|
| 1/2 | 15 | 4 | 1/2 | 75 | 5/8 | M14 |
| 3/4 | 20 | 4 | 5/8 | 90 | 3/4 | M16 |
| 1 | 25 | 4 | 5/8 | 90 | 3/4 | M16 |
| 1 1/4 | 32 | 4 | 5/8 | 95 | 3/4 | M16 |
| 1 1/2 | 40 | 4 | 3/4 | 110 | 7/8 | M20 |
| 2 | 50 | 8 | 5/8 | 110 | 3/4 | M16 |
| 2 1/2 | 65 | 8 | 3/4 | 120 | 7/8 | M20 |
| 3 | 80 | 8 | 3/4 | 125 | 7/8 | M20 |
| 3 1/2 | 90 | 8 | 7/8 | 140 | 1 | M24 |
| 4 | 100 | 8 | 7/8 | 140 | 1 | M24 |
| 5 | 125 | 8 | 7/8 | 145 | 1 | M24 |
| 6 | 150 | 12 | 7/8 | 150 | 1 | M24 |
| 8 | 200 | 12 | 1 | 170 | 1 1/8 | M27 |
| 10 | 250 | 16 | 1 1/8 | 190 | 1 1/4 | M30 |
| 12 | 300 | 16 | 1 1/4 | 205 | 1 3/8 | M33 |
| 14 | 350 | 20 | 1 1/4 | 210 | 1 3/8 | M33 |
| 16 | 400 | 20 | 1 3/8 | 220 | 1 1/2 | M36 |
| 18 | 450 | 24 | 1 3/8 | 230 | 1 1/2 | M36 |
| 20 | 500 | 24 | 1 1/2 | 240 | 1 3/4 | M39 |
| 24 | 600 | 24 | 1 3/4 | 265 | 1 7/8 | M45 |
Class 600 Weld Neck Flange Dimensions as per ASME B16.5
| Size in Inch | Size in mm | Outer Diameter | Flange Thickness | Hub OD | Weld Neck OD | Welding Neck Length | Bore | RF Diameter | RF Height | PCD | Weld Face |
|---|---|---|---|---|---|---|---|---|---|---|---|
| A | B | C | D | E | F | G | H | I | J | ||
| 1/2 | 15 | 95 | 14.3 | 38 | 21.3 | 52 | According to Schedule | 34.9 | 7 | 66.7 | 1.6 |
| 3/4 | 20 | 115 | 15.9 | 48 | 26.7 | 57 | 42.9 | 7 | 82.6 | 1.6 | |
| 1 | 25 | 125 | 17.5 | 54 | 33.4 | 62 | 50.8 | 7 | 88.9 | 1.6 | |
| 1 1/4 | 32 | 135 | 20.7 | 64 | 42.2 | 67 | 63.5 | 7 | 98.4 | 1.6 | |
| 1 1/2 | 40 | 155 | 22.3 | 70 | 48.3 | 70 | 73 | 7 | 114.3 | 1.6 | |
| 2 | 50 | 165 | 25.4 | 84 | 60.3 | 73 | 92.1 | 7 | 127 | 1.6 | |
| 2 1/2 | 65 | 190 | 28.6 | 100 | 73 | 79 | 104.8 | 7 | 149.2 | 1.6 | |
| 3 | 80 | 210 | 31.8 | 117 | 88.9 | 83 | 127 | 7 | 168.3 | 1.6 | |
| 3 1/2 | 90 | 230 | 35 | 133 | 101.6 | 86 | 139.7 | 7 | 184.2 | 1.6 | |
| 4 | 100 | 275 | 38.1 | 152 | 114.3 | 102 | 157.2 | 7 | 215.9 | 1.6 | |
| 5 | 125 | 330 | 44.5 | 189 | 141.3 | 114 | 185.7 | 7 | 266.7 | 1.6 | |
| 6 | 150 | 355 | 47.7 | 222 | 168.3 | 117 | 215.9 | 7 | 292.1 | 1.6 | |
| 8 | 200 | 420 | 55.6 | 273 | 219.1 | 133 | 269.9 | 7 | 349.2 | 1.6 | |
| 10 | 250 | 510 | 63.5 | 343 | 273 | 152 | 323.8 | 7 | 431.8 | 1.6 | |
| 12 | 300 | 560 | 66.7 | 400 | 323.8 | 156 | 381 | 7 | 489 | 1.6 | |
| 14 | 350 | 605 | 69.9 | 432 | 355.6 | 165 | 412.8 | 7 | 527 | 1.6 | |
| 16 | 400 | 685 | 76.2 | 495 | 406.4 | 178 | 469.9 | 7 | 603.2 | 1.6 | |
| 18 | 450 | 745 | 82.6 | 546 | 457 | 184 | 533.4 | 7 | 654 | 1.6 | |
| 20 | 500 | 815 | 88.9 | 610 | 508 | 190 | 584.2 | 7 | 723.9 | 1.6 | |
| 24 | 600 | 940 | 101.6 | 718 | 610 | 203 | 692.2 | 7 | 838.2 | 1.6 |
Class 600 Weld Neck Flange Stud & Bolt Dimesions
| Size in Inch | Size in mm | No of Bolts | Bolt Size UNC | RF Stud Length | Hole Size | ISO Stud Size | Weight in kg |
|---|---|---|---|---|---|---|---|
| 1/2 | 15 | 4 | 1/2 | 75 | 5/8 | M14 | 1.5 |
| 3/4 | 20 | 4 | 5/8 | 90 | 3/4 | M16 | 1.8 |
| 1 | 25 | 4 | 5/8 | 90 | 3/4 | M16 | 1.8 |
| 1 1/4 | 32 | 4 | 5/8 | 95 | 3/4 | M16 | 2.7 |
| 1 1/2 | 40 | 4 | 3/4 | 110 | 7/8 | M20 | 3.7 |
| 2 | 50 | 8 | 5/8 | 110 | 3/4 | M16 | 5.5 |
| 2 1/2 | 65 | 8 | 3/4 | 120 | 7/8 | M20 | 8.2 |
| 3 | 80 | 8 | 3/4 | 125 | 7/8 | M20 | 10.5 |
| 3 1/2 | 90 | 8 | 7/8 | 140 | 1 | M24 | 11.8 |
| 4 | 100 | 8 | 7/8 | 145 | 1 | M24 | 19.1 |
| 5 | 125 | 8 | 1 | 165 | 1 1/8 | M27 | 31 |
| 6 | 150 | 12 | 1 | 170 | 1 1/8 | M27 | 36 |
| 8 | 200 | 12 | 1 1/8 | 190 | 1 1/4 | M30 | 55 |
| 10 | 250 | 16 | 1 1/4 | 215 | 1 3/8 | M33 | 86 |
| 12 | 300 | 20 | 1 1/4 | 220 | 1 3/8 | M33 | 102 |
| 14 | 350 | 20 | 1 3/8 | 235 | 1 1/2 | M36 | 127 |
| 16 | 400 | 20 | 1 1/2 | 255 | 1 5/8 | M39 | 177 |
| 18 | 450 | 20 | 1 5/8 | 275 | 1 3/4 | M42 | 216 |
| 20 | 500 | 24 | 1 5/8 | 285 | 1 3/4 | M42 | 268 |
| 24 | 600 | 24 | 1 7/8 | 330 | 2 | M48 | 377 |
Class 900 Weld Neck Flange Dimensions as per ASME B16.5
| Size in Inch | Size in mm | Outer Diameter | Flange Thickness | Hub OD | Weld Neck OD | Welding Neck Length | Bore | RF Diameter | RF Height | PCD | Weld Face |
|---|---|---|---|---|---|---|---|---|---|---|---|
| A | B | C | D | E | F | G | H | I | J | ||
| 1/2 | 15 | 120 | 22.3 | 38 | 21.3 | 60 | 34.9 | 7 | 82.6 | 1.6 | |
| 3/4 | 20 | 130 | 25.4 | 44 | 26.7 | 70 | 42.9 | 7 | 88.9 | 1.6 | |
| 1 | 25 | 150 | 28.6 | 52 | 33.4 | 73 | 50.8 | 7 | 101.6 | 1.6 | |
| 1 1/4 | 32 | 160 | 28.6 | 64 | 42.2 | 73 | 63.5 | 7 | 111.1 | 1.6 | |
| 1 1/2 | 40 | 180 | 31.8 | 70 | 48.3 | 83 | 73 | 7 | 123.8 | 1.6 | |
| 2 | 50 | 215 | 38.1 | 105 | 60.3 | 102 | 92.1 | 7 | 165.1 | 1.6 | |
| 2 1/2 | 65 | 245 | 41.3 | 124 | 73 | 105 | 104.8 | 7 | 190.5 | 1.6 | |
| 3 | 80 | 240 | 38.1 | 127 | 88.9 | 102 | 127 | 7 | 190.5 | 1.6 | |
| 4 | 100 | 290 | 44.5 | 159 | 114.3 | 114 | 157.2 | 7 | 235 | 1.6 | |
| 5 | 125 | 350 | 50.8 | 190 | 141.3 | 127 | According to Schedule | 185.7 | 7 | 279.4 | 1.6 |
| 6 | 150 | 380 | 55.6 | 235 | 168.3 | 140 | 215.9 | 7 | 317.5 | 1.6 | |
| 8 | 200 | 470 | 63.5 | 298 | 219.1 | 162 | 269.9 | 7 | 393.7 | 1.6 | |
| 10 | 250 | 545 | 69.9 | 368 | 273 | 184 | 323.8 | 7 | 469.9 | 1.6 | |
| 12 | 300 | 610 | 79.4 | 419 | 323.8 | 200 | 381 | 7 | 533.4 | 1.6 | |
| 14 | 350 | 640 | 85.8 | 451 | 355.6 | 213 | 412.8 | 7 | 558.8 | 1.6 | |
| 16 | 400 | 705 | 88.9 | 508 | 406.4 | 216 | 469.9 | 7 | 616 | 1.6 | |
| 18 | 450 | 785 | 101.6 | 565 | 457 | 229 | 533.4 | 7 | 685.8 | 1.6 | |
| 20 | 500 | 855 | 108 | 622 | 508 | 248 | 584.2 | 7 | 749.3 | 1.6 | |
| 24 | 600 | 1040 | 139.7 | 749 | 610 | 292 | 692.2 | 7 | 901.7 | 1.6 |
Class 900 Weld Neck Flange Stud & Bolt Dimesions
| Size in Inch | Size in mm | No of Bolts | Bolt Size UNC | RF Stud Length | Hole Size | ISO Stud Size | Weight in kg |
|---|---|---|---|---|---|---|---|
| 1/2 | 15 | 4 | 3/4 | 110 | 7/8 | M20 | 2.3 |
| 3/4 | 20 | 4 | 3/4 | 115 | 7/8 | M20 | 2.7 |
| 1 | 25 | 4 | 7/8 | 125 | 1 | M24 | 4.1 |
| 1 1/4 | 32 | 4 | 7/8 | 125 | 1 | M24 | 4.6 |
| 1 1/2 | 40 | 4 | 1 | 140 | 1 1/8 | M27 | 5.9 |
| 2 | 50 | 8 | 7/8 | 145 | 1 | M24 | 11.5 |
| 2 1/2 | 65 | 8 | 1 | 160 | 1 1/8 | M27 | 16.5 |
| 3 | 80 | 8 | 7/8 | 145 | 1 | M24 | 14 |
| 4 | 100 | 8 | 1 1/8 | 170 | 1 1/4 | M30 | 23 |
| 5 | 125 | 8 | 1 1/4 | 190 | 1 3/8 | M33 | 39.5 |
| 6 | 150 | 12 | 1 1/8 | 190 | 1 1/4 | M30 | 50 |
| 8 | 200 | 12 | 1 3/8 | 220 | 1 1/2 | M36 | 80 |
| 10 | 250 | 16 | 1 3/8 | 235 | 1 1/2 | M36 | 118 |
| 12 | 300 | 20 | 1 3/8 | 255 | 1 1/2 | M36 | 148 |
| 14 | 350 | 20 | 1 1/2 | 275 | 1 5/8 | M39 | 182 |
| 16 | 400 | 20 | 1 5/8 | 285 | 1 3/4 | M42 | 225 |
| 18 | 450 | 20 | 1 7/8 | 325 | 2 | M48 | 300 |
| 20 | 500 | 20 | 2 | 350 | 2 1/8 | M52 | 373 |
| 24 | 600 | 20 | 2 1/2 | 440 | 2 5/8 | M64 | 680 |
Class 1500 Weld Neck Flange Dimensions as per ASME B16.5
| Size in Inch | Size in mm | Outer Diameter | Flange Thickness | Hub OD | Weld Neck OD | Welding Neck Length | Bore | RF Diameter | RF Height | PCD | Weld Face |
|---|---|---|---|---|---|---|---|---|---|---|---|
| A | B | C | D | E | F | G | H | I | J | ||
| 1/2 | 15 | 120 | 22.3 | 38 | 21.3 | 60 | 34.9 | 7 | 82.6 | 1.6 | |
| 3/4 | 20 | 130 | 25.4 | 44 | 26.7 | 70 | 42.9 | 7 | 88.9 | 1.6 | |
| 1 | 25 | 150 | 28.6 | 52 | 33.4 | 73 | 50.8 | 7 | 101.6 | 1.6 | |
| 1 1/4 | 32 | 160 | 28.6 | 64 | 42.2 | 73 | 63.5 | 7 | 111.1 | 1.6 | |
| 1 1/2 | 40 | 180 | 31.8 | 70 | 48.3 | 83 | 73 | 7 | 123.8 | 1.6 | |
| 2 | 50 | 215 | 38.1 | 105 | 60.3 | 102 | 92.1 | 7 | 165.1 | 1.6 | |
| 2 1/2 | 65 | 245 | 41.3 | 124 | 73 | 105 | 104.8 | 7 | 190.5 | 1.6 | |
| 3 | 80 | 265 | 47.7 | 133 | 88.9 | 117 | 127 | 7 | 203.2 | 1.6 | |
| 4 | 100 | 310 | 54 | 162 | 114.3 | 124 | According to Schedule | 157.2 | 7 | 241.3 | 1.6 |
| 5 | 125 | 375 | 73.1 | 197 | 141.3 | 156 | 185.7 | 7 | 292.1 | 1.6 | |
| 6 | 150 | 395 | 82.6 | 229 | 168.3 | 171 | 215.9 | 7 | 317.5 | 1.6 | |
| 8 | 200 | 485 | 92.1 | 292 | 219.1 | 213 | 269.9 | 7 | 393.7 | 1.6 | |
| 10 | 250 | 585 | 108 | 368 | 273 | 254 | 323.8 | 7 | 482.6 | 1.6 | |
| 12 | 300 | 675 | 123.9 | 451 | 323.8 | 283 | 381 | 7 | 571.5 | 1.6 | |
| 14 | 350 | 750 | 133.4 | 495 | 355.6 | 298 | 412.8 | 7 | 635 | 1.6 | |
| 16 | 400 | 825 | 146.1 | 552 | 406.4 | 311 | 469.9 | 7 | 704.8 | 1.6 | |
| 18 | 450 | 915 | 162 | 597 | 457 | 327 | 533.4 | 7 | 774.7 | 1.6 | |
| 20 | 500 | 985 | 177.8 | 641 | 508 | 356 | 584.2 | 7 | 831.8 | 1.6 | |
| 24 | 600 | 1170 | 203.2 | 762 | 610 | 406 | 692.2 | 7 | 990.6 | 1.6 |
Class 1500 Weld Neck Flange Stud & Bolt Dimesions
| Size in Inch | Size in mm | No of Bolts | Bolt Size UNC | RF Stud Length | Hole Size | ISO Stud Size | Weight in kg |
|---|---|---|---|---|---|---|---|
| 1/2 | 15 | 4 | 3/4 | 110 | 7/8 | M20 | 2.3 |
| 3/4 | 20 | 4 | 3/4 | 115 | 7/8 | M20 | 2.7 |
| 1 | 25 | 4 | 7/8 | 125 | 1 | M24 | 4.1 |
| 1 1/4 | 32 | 4 | 7/8 | 125 | 1 | M24 | 4.6 |
| 1 1/2 | 40 | 4 | 1 | 140 | 1 1/8 | M27 | 5.9 |
| 2 | 50 | 8 | 7/8 | 145 | 1 | M24 | 11.4 |
| 2 1/2 | 65 | 8 | 1 | 160 | 1 1/8 | M27 | 16.4 |
| 3 | 80 | 8 | 1 1/8 | 180 | 1 1/4 | M30 | 21.8 |
| 4 | 100 | 8 | 1 1/4 | 195 | 1 3/8 | M33 | 33 |
| 5 | 125 | 8 | 1 1/2 | 250 | 1 5/8 | M39 | 59 |
| 6 | 150 | 12 | 1 3/8 | 260 | 1 1/2 | M36 | 75 |
| 8 | 200 | 12 | 1 5/8 | 290 | 1 3/4 | M42 | 125 |
| 10 | 250 | 12 | 1 7/8 | 335 | 2 | M48 | 207 |
| 12 | 300 | 16 | 2 | 375 | 2 1/8 | M52 | 314 |
| 14 | 350 | 16 | 2 1/4 | 405 | 2 3/8 | M56 | 427 |
| 16 | 400 | 16 | 2 1/2 | 445 | 2 5/8 | M64 | 568 |
| 18 | 450 | 16 | 2 3/4 | 495 | 2 7/8 | M72 | 738 |
| 20 | 500 | 16 | 3 | 540 | 3 1/8 | M76 | 932 |
| 24 | 600 | 16 | 3 1/2 | 615 | 3 5/8 | M90 | 1511 |
Class 2500 Weld Neck Flange Dimensions as per ASME B16.5
| Size in Inch | Size in mm | Outer Diameter | Flange Thickness | Hub OD | Weld Neck OD | Welding Neck Length | Bore | RF Diameter | RF Height | PCD | Weld Face |
|---|---|---|---|---|---|---|---|---|---|---|---|
| A | B | C | D | E | F | G | H | I | J | ||
| 1/2 | 15 | 135 | 30.2 | 43 | 21.3 | 73 | 34.9 | 7 | 88.9 | 1.6 | |
| 3/4 | 20 | 140 | 31.8 | 51 | 26.7 | 79 | 42.9 | 7 | 95.2 | 1.6 | |
| 1 | 25 | 160 | 35 | 57 | 33.4 | 89 | 50.8 | 7 | 108 | 1.6 | |
| 1 1/4 | 32 | 185 | 38.1 | 73 | 42.2 | 95 | 63.5 | 7 | 130.2 | 1.6 | |
| 1 1/2 | 40 | 205 | 44.5 | 79 | 48.3 | 111 | 73 | 7 | 146 | 1.6 | |
| 2 | 50 | 235 | 50.9 | 95 | 60.3 | 127 | According to Schedule | 92.1 | 7 | 171.4 | 1.6 |
| 2 1/2 | 65 | 265 | 57.2 | 114 | 73 | 143 | 104.8 | 7 | 196.8 | 1.6 | |
| 3 | 80 | 305 | 66.7 | 133 | 88.9 | 168 | 127 | 7 | 228.6 | 1.6 | |
| 4 | 100 | 355 | 76.2 | 165 | 114.3 | 190 | 157.2 | 7 | 273 | 1.6 | |
| 5 | 125 | 420 | 92.1 | 203 | 141.3 | 229 | 185.7 | 7 | 323.8 | 1.6 | |
| 6 | 150 | 485 | 108 | 235 | 168.3 | 273 | 215.9 | 7 | 368.3 | 1.6 | |
| 8 | 200 | 550 | 127 | 305 | 219.1 | 318 | 269.9 | 7 | 438.2 | 1.6 | |
| 10 | 250 | 675 | 165.1 | 375 | 273 | 419 | 323.8 | 7 | 539.8 | 1.6 | |
| 12 | 300 | 760 | 184.2 | 441 | 323.8 | 464 | 381 | 7 | 619.1 | 1.6 |
Class 2500 Weld Neck Flange Stud & Bolt Dimesions
| Size in Inch | Size in mm | No of Bolts | Bolt Size UNC | RF Stud Length | Hole Size | ISO Stud Size | Weight in kg |
|---|---|---|---|---|---|---|---|
| 1/2 | 15 | 4 | 3/4 | 120 | 7/8 | M20 | 3.3 |
| 3/4 | 20 | 4 | 3/4 | 125 | 7/8 | M20 | 3.7 |
| 1 | 25 | 4 | 7/8 | 140 | 1 | M24 | 5.5 |
| 1 1/4 | 32 | 4 | 1 | 150 | 1 1/8 | M27 | 7.8 |
| 1 1/2 | 40 | 4 | 1 1/8 | 170 | 1 1/4 | M30 | 11.5 |
| 2 | 50 | 8 | 1 | 180 | 1 1/8 | M27 | 19 |
| 2 1/2 | 65 | 8 | 1 1/8 | 195 | 1 1/4 | M30 | 24 |
| 3 | 80 | 8 | 1 1/4 | 220 | 1 3/8 | M33 | 42.8 |
| 4 | 100 | 8 | 1 1/2 | 255 | 1 5/8 | M39 | 66 |
| 5 | 125 | 8 | 1 3/4 | 300 | 1 7/8 | M45 | 111 |
| 6 | 150 | 8 | 2 | 345 | 2 1/8 | M52 | 173 |
| 8 | 200 | 12 | 2 | 380 | 2 1/8 | M52 | 264 |
| 10 | 250 | 12 | 2 1/2 | 490 | 2 5/8 | M64 | 490 |
| 12 | 300 | 12 | 2 3/4 | 540 | 2 7/8 | M72 | 695 |
Weld Neck Flange Weight Chart
| Flange Size (inches) | Class 150 (lbs) | Class 300 (lbs) | Class 400 (lbs) | Class 600 (lbs) | Class 900 (lbs) | Class 1500 (lbs) | Class 2500 (lbs) |
|---|---|---|---|---|---|---|---|
| ½ | 2 | 2 | 3 | 3 | 7 | 7 | 8 |
| ¾ | 2 | 3 | 3.5 | 4 | 7 | 7 | 9 |
| 1 | 3 | 4 | 4 | 4 | 8.5 | 8.5 | 13 |
| 1¼ | 3 | 5 | 4.5 | 6 | 10 | 10 | 20 |
| 1½ | 4 | 7 | 8 | 8 | 14 | 14 | 28 |
| 2 | 6 | 9 | 10 | 12 | 24 | 24 | 42 |
| 2½ | 10 | 12 | 14 | 18 | 31 | 31 | 52 |
| 3 | 11.5 | 18 | 18 | 23 | 36 | 36 | 94 |
| 3½ | 12 | 20 | 26 | 26 | 53 | 53 | 146 |
| 4 | 16.5 | 26.5 | 35 | 42 | 86 | 86 | 244 |
| 5 | 21 | 36 | 43 | 68 | 110 | 110 | 378 |
| 6 | 26 | 45 | 57 | 81 | 187 | 187 | 576 |
| 8 | 42 | 69 | 89 | 120 | 268 | 268 | 1068 |
| 10 | 54 | 100 | 125 | 190 | 372 | 372 | 1608 |
| 12 | 88 | 142 | 175 | 226 | 562 | 562 | – |
| 14 | 114 | 206 | 233 | 347 | 685 | 685 | – |
| 16 | 140 | 250 | 295 | 481 | 924 | 924 | – |
| 18 | 165 | 320 | 360 | 555 | 1164 | 1164 | – |
| 20 | 197 | 400 | 445 | 690 | 2107 | 2107 | – |
| 22 | 225 | 465 | 505 | 720 | – | – | – |
| 24 | 268 | 580 | 640 | 977 | – | – | – |
Weld Neck Flange Tolerance
| Dimension | Tolerance |
|---|---|
| Outside Diameter (OD) | ±1/16 in for ODs up to 24 in |
| ±1/8 in for ODs over 24 in | |
| Inside Diameter (ID) | ±1/32 in for diameters up to 10 in |
| +1/16 in for diameters 12-18 in | |
| +1/8 in, -1/16 in for diameters over 20 in | |
| Diameter of Contact Face | 1/16 in |
| Raised Face | ±1/32 in |
| Tongue and Groove or Male and Female | ±1/64 in |
| Diameter of Hub at Point of Welding | +3/32 in, -1/32 in for hubs up to 5 in |
| +5/32 in, -1/32 in for hubs over 6 in | |
| Diameter of Hub at Base | ±1/16 in for hub bases up to 24 in |
| ±1/8 in for hub bases over 24 in | |
| Bolt Circle | ±1/16 in |
| Bolt Hole Spacing | +1/32 in |
| Eccentricity of Bolt Circle and Facing | 1/32 in max |
| Length Thru Hub | ±1/16 in for lengths up to 10 in |
| ±1/8 in for lengths over 12 in | |
| Thickness | +1/8 in, -0 in for thicknesses up to 18 in |
| +3/16 in, -0 in for thicknesses over 20 in |
Common Outer Diameters
- 2 inches (50.8 mm)
- 4 inches (101.6 mm)
- 6 inches (152.4 mm)
- 8 inches (203.2 mm)
- 12 inches (304.8 mm)
- 16 inches (406.4 mm)
- 24 inches (609.6 mm)
Pressure Class Range
- Class 150
- Class 300
- Class 600
- Class 900
- Class 1500
Flange Face Types
- Raised Face (RF): Provides a better seal and is most common for process applications.
- Flat Face (FF): Used for low-pressure and non-critical applications.
- Ring Type Joint (RTJ): Designed for high-pressure and high-temperature applications.
- Male and Female (M&F): Used in specialized applications requiring alignment.
- Tongue and Groove (T&G): Ensures precise mating for critical joints.
Standards
- ASME B16.5: For pipe flanges and flanged fittings (sizes up to 24″).
- ASME B16.47: For large-diameter flanges (sizes above 24″).
- API 605: Applicable for large-diameter steel flanges.
- MSS SP-44: For pipeline flanges.
- DIN EN 1092-1: European standard for steel flanges.
- ISO 7005-1: International standard for metallic flanges.
Related Products
Showing all 6 results